top of page
Search

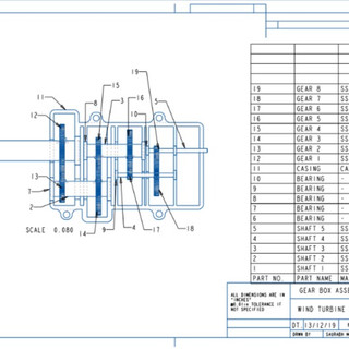
Design of Horizontal Axis Wind Turbine

Aim

1. To Design a three-bladed horizontal-axis wind turbine (HAWT). Design the tower, the gear train and shaft, and the connection of the blades to the rotor hub. The generator to use is specified. You do not need to design the generator or the blades. The input rotational speed of the blades is 18 rpm

2. Create an assembly drawing and any sub-assembly and component drawings needed to fabricate your design with all components listed on the appropriate BOM. You can use any size drawing (up to E-size). Create all assembly, sub-assembly, part, and drawing files in CREO or SolidWorks as prefered.

All calculations and analyses of forces, stresses, etc. (Creo, ANSYS, Excel, or manual) for each component.


Calculations


  1. Design of Shafts


2. Design of Gears



CAD Modeling


Gears for the HAWT were created in SolidWorks using the calculations done above



These models were then imported in CREO by converting them to .stp files. And the rest of the Gearbox, Shafts, Keys, Bearings, Casing etc. were created in CREO.







Drawings of each part and Assemblies













 
 
 

Comments


Post: Blog2_Post

©2019 by Saurabh More. Proudly created with Wix.com

bottom of page